Separator koalescencyjny substancji ropochodnych zintegrowany z osadnikiem i komorą pomp typ ECO II-PE 1,5/0,6P...10/1,9P
| ECO II-PE NG | 1,5/0,6P | 3/0,6P | 3/1,3P | 6/0,8P | 6/1,3P | 10/1,9P | |
|---|---|---|---|---|---|---|---|
| Przepustowość | [l/s] | 1,5 | 3 | 3 | 6 | 6 | 10 |
| Pojemność osadnika | [l] | 600 | 600 | 1300 | 800 | 1300 | 1900 |
| Pojemność komory pomp | [l] | 1150 | 1150 | 1730 | 1100 | 1680 | 2145 |
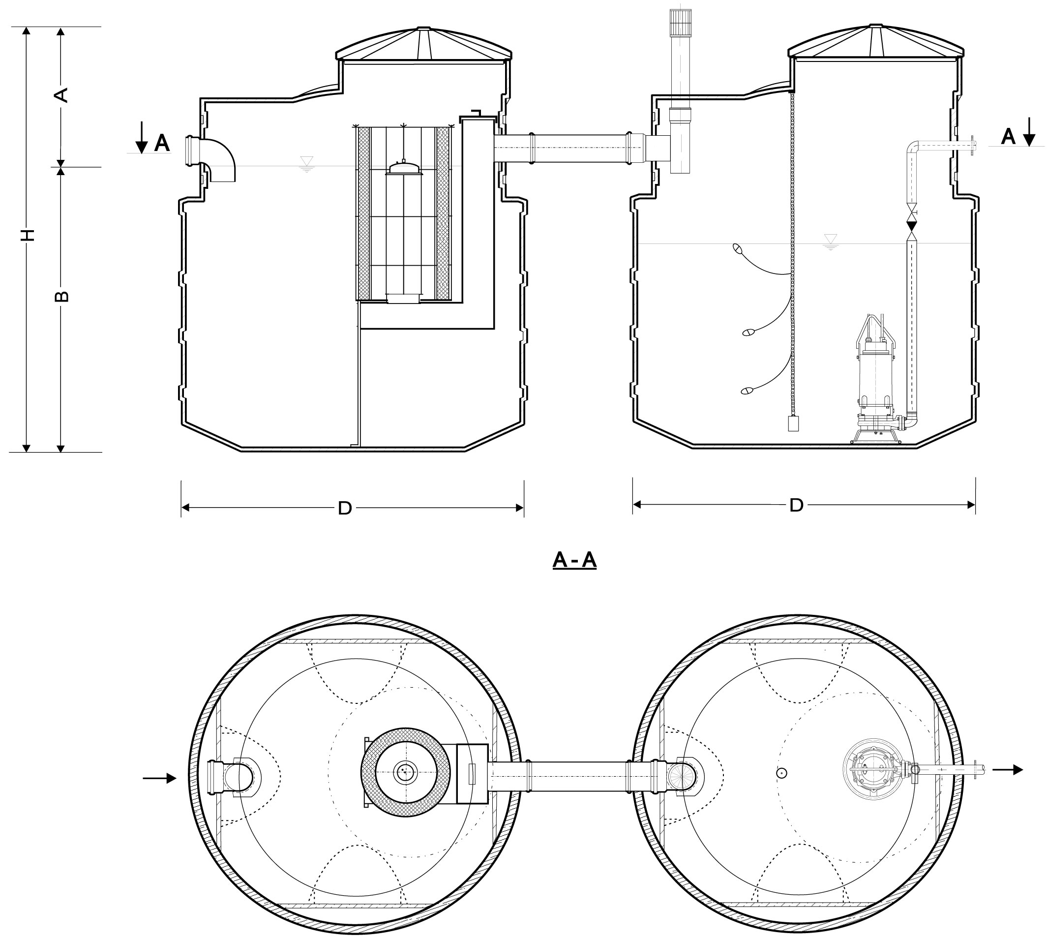
| Średnica D | [mm] | 1220 | 1220 | 1220 | 1220 | 1220 | 1220 |
| Wysokość H | [mm] | 1480 | 1480 | 1980 | 1480 | 1980 | 2580 |
| Wysokość A | [mm] | 460 | 460 | 460 | 510 | 510 | 510 |
| Zagłębienie dna zbiornika B | [mm] | 1020 | 1020 | 1520 | 970 | 1470 | 2070 |
| Dopływ/Odpływ max. | [mm] | 110 | 110 | 110 | 160 | 160 | 160 |
| Ilość zatrzymanego oleju | [l] | 130 | 190 | 190 | 130 | 190 | 190 |
| Ciężar separatora | [kg] | 50 | 50 | 80 | 50 | 80 | 110 |
| Ciężar komory pomp | [kg] | 70 | 70 | 100 | 70 | 100 | 130 |
Przykładowy sposób oznaczania separatorów eco iI-PE
ECO II-PE – typoszereg
1,5 – przepływ nominalny [l/s]
NG – wielkość nominalna
/ 0,6 – pojemność osadnika [m3]
P – urządzenie z komorą pomp
Charakterystyka urządzeń
- Wyposażenie standardowe separatora stanowi pływakowe odcięcie odpływu zabezpieczające przed wypłynięciem zdeponowanych substancji ropopochodnych oraz pionowy kanał do poboru prób w odpływie.
- Zbiornik separatora wykonany z linearnego PE HD formowanego metodą rotacyjną.
- W przypadku gdy w warunkach rzeczywistych zagłębienie kanalizacji jest większe niż wartość „A” w tabelce, należy nadbudować separator dostosowaną nadstawką z PE.
- Urządzenia w wykonaniu nienajazdowym z włazami wykonanymi z PE.
- Producent gwarantuje stały stopień oczyszczania dla całego przepływu w odniesieniu do substancji ropopochodnych, zgodny z Rozporządzeniem Ministra Środowiska w sprawie warunków jakie należy spełnić przy wprowadzaniu ścieków do wód lub do ziemi.
Charakterystyka komory pomp
- Wyposażenie standardowe przepompowni stanowi zatapialna pompa ściekowa w instalacji stacjonarnej z zaworem zwrotnym, odcinającym na przewodzie tłocznym, wyłącznikami pływakowymi poziomu oraz rozdzielnicą z zabezpieczeniami.
- Zbiornik pompowni wykonany z linearnego PE HD formowanego metodą rotacyjną. W przypadku gdy w warunkach rzeczywistych zagłębienie kanalizacji jest większe niż wartość „A” w tabelce, należy nadbudować pompownię dostosowaną nadstawką z PE.
- Urządzenie w wykonaniu nienajazdowymz włazem wykonanym z PE.
- Wentylacja dostosowana do włączenia w wewnętrzny ciąg kominowy budynku.